Как сделать теплообменник самостоятельно?
Покупать дорогие изделия из нержавейки для эксплуатации в бане нецелесообразно. Теплообменник для печи в бане можно легко изготовить самостоятельно. Как сделать теплообменник банной печи своими руками? Пошаговая инструкция будет ниже.
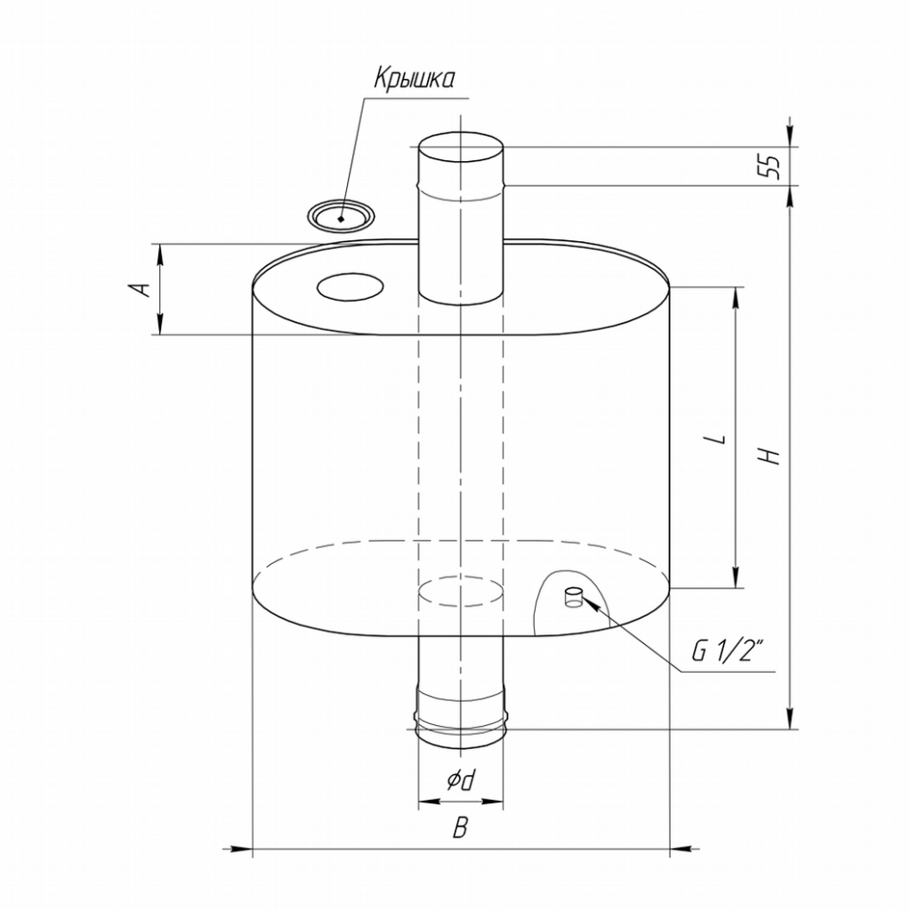
Материалы и инструменты
Какие материалы имеют для теплообменника печи в бане первостепенное значение? Зависит от того, сколько воды нужно нагреть. Вот примерный список того, что понадобится:
- металлический лист, толщина 2-3 мм — S=2*(0,40*0,80+0,40*0,20)+0,80*0,20 = 2*(0,32+0,08)+0,16 = 0,96 м2
- кран Ø32 мм — 2 шт.
- обратный клапан Ø32 мм — 1 шт.
- фитинги Ø32 мм— 6 компл.
- патрубки Ø32 мм — 6 шт.
- вентиль Ø32 мм (для слива) — 1 шт.
- труба металлическая, гофрированная Ø32 мм — 3 м.
- труба Ø32 мм (холодный водопровод) — по необходимости.
- уплотнительный шнур для герметизации соединений — 1 упак.
- электроды — 1 пачка.
Какой инструмент используется? Вот список:
- сварочный инвертор;
- «болгарка»
- прочие инструменты.
Расчет размеров
Мощность нагревателя должна соответствовать мощности самой печи. Рекомендуют сделать теплообменник, руководствуясь следующим:
- Теплообменник не должен потреблять больше 10% от мощности самой печи. В таком случае, мощности печи хватит и на обогрев помещения. Топливо будет расходоваться максимально эффективно. Время нагрева не увеличится.
- Суммарная длина труб не должна превышать 3 метра. Нужно сделать необходимый уклон, который составляет 2500 на прямой подаче, а на обратной — больше 300 в сторону печки. Так теплоноситель будет эффективно подаваться самотеком. В противном случае, не обойтись без насоса.
- Воды должно быть достаточно. Она должна нагреваться не более двух часов, но не закипать. Если сделать бак слишком малого объема, теплоноситель очень быстро закипит. Если котел находится непосредственно в парилке, мыться там будет очень тяжело. Тяжелый пар заполнит помещение и нормально дышать станет невозможно. При слишком большом объеме бака из металла, теплоноситель может и вовсе не нагреться.
- Не забудьте, что когда печь прогорит, вода все же какое-то время должна оставаться горячей. Поэтому, нужно заложить необходимый запас мощности.
Учитывая все вышесказанное, попробуем подобрать оптимальный теплообменник из металла. Принимаем, что для прогрева воздуха в бане нужно 5 кВт. Тогда мощность теплообменника из металла составит 10 кВт, а его площадь — 1 м2. На возможные теплопотери отнесем 3 кВт. Тогда монтаж 1 м2 теплообменника даст нам 7кВт энергии. Время нагрева воды — 2 часа. Тогда требуемую площадь теплообменник определим по формуле: S = 1/7*W, где
W = 0,00117*V*(tk-tн) /T= 0,00117*65*(70-10) /2= 2,3кВт, отсюда S = 1/7*W=1/7*2,3 = 0,33 м2, где S — требуемая площадь теплообменника, м2;
W — требуемая мощность теплообменника, кВт (важно определить ее правильно);
V — объем воды, которую надо нагреть, принимаем 65 л (достаточно для 4-х человек);
tk – требуемая температура воды, принимаем 700С (оптимальная температура горячей воды);
tн – изначальная температура воды, принимаем 100С. Требуемая мощность печи — 5+2,3 = 7 кВт
0,3 кВт можно не учитывать, т. к. 10% от изначальной мощности печи — допустимая потеря (0,3кВт
Инструкция по изготовлению
- Правильно изготовим 2 бака для воды: один лучше делать в форме цилиндра (для теплообменника), второй — прямоугольный (выносной). Размеры рассчитываем индивидуально, исходить лучше из расчета выше и собственных потребностей.
Варианты конструкций
- Изготавливаем змеевик, устанавливаем в бак.
Пример конструкции змеевика 1
Пример 2
Пример 3
Пример 4
- Наполняем водой и испытываем в течении 6 часов. Все швы должны быть герметичны, отпотин и утечек быть не должно. Содержание воды в баке при отрицательной температуре запрещено.
- Привариваем 2 патрубка для прямой и обратной (нижней) подачи, чтобы организовать циркуляцию.
Как самостоятельно изготовить устройство
Несложный змеевик несложно изготовить самостоятельно из медной трубки. Для дымохода диаметром 100 мм подойдет медная трубка с диаметром ¼ дюйма и длиной 3-4 м. К концам трубы следует припаять фитинги с резьбой. Затем трубку заполняют мелким песком, закручивают их и обматывают дымоход.
Между витками желательно оставлять небольшое расстояние – тогда труба от дымохода будет нагреваться и теплопередачей, и инфракрасным излучением. Эту работу удобно выполнять с помощником. Затем песок из трубы вымывают водой под давлением. Присоединяют трубы, ведущие к радиаторам и расширительному баку.
Теплообменник Кузнецова выполняют при помощи сварки. Самый простой вариант – изготовить корпус из газового баллона или трубы большого диаметра.
Для изготовления понадобятся следующие материалы:
- Газовый баллон, труба большого диаметра (300 мм) для корпуса.
- Труба диаметром 32 мм (одну заготовку лучше взять большего диаметра – до 57 мм). Длина заготовок – 300-400 мм, общее количество должно быть достаточно для вырезания заготовок.
- Два небольших патрубка одного диаметра с диаметром дымохода; желательно использовать трубу дымохода – если дымоход сборный, то с одной стороны конструкции патрубок будет с раструбом, который необходим для монтажа теплообменника.
- Два фрагмента стального листа, достаточных, чтобы вырезать заглушки торцов корпуса.
Технология изготовления воздушного теплообменника:
В корпусе по бокам вырезаются отверстия с диаметром, равным диаметру дымохода.
Конструкция из тонких трубок и заглушек вставляется в корпус и проваривается по стыку заглушек и корпуса из большой трубы.
В отверстия по бокам корпуса вставляются патрубки и также провариваются.
Альтернативный вариант:
Какие материалы можно использовать
Идеальный вариант – нержавеющая сталь (например, пищевая аустенитная нержавейка 08Х18Н10 или AISI 304) или медь. Изделия промышленного производства иногда изготавливают из титана. Но цена на эти материалы достаточно велика. Зато они долговечны, не ржавеют, надежны и прочны. Если у вас буржуйка в гараже или самодельная каменка из подручных материалов в бане, вполне возможно применить и черный металл (углеродистую сталь).
Можно применить качественную гофрированную трубу из нержавейки. Оцинкованная гофра – нежелательный и недолговечный вариант. Для змеевика можно применять и алюминиевые трубы (только не для дымоходов твердотопливных печей).
Иногда применяют и оцинкованную сталь, но следует иметь в виду, что при сварочных работах слой цинка испаряется, и все преимущества оцинковки (стойкость к коррозии) сходят на нет. При температуре выше 400 °С цинк начинает испаряться (пары цинка токсичны), поэтому не стоит применять оцинковку для теплообменников на дымоходах твердотопливных котлов.
Правила установки теплообменника на банную печь
Необходимо руководствоваться следующими правилами:
Теплообменник обязан потреблять не более 10% от общей энергии, производимой печью, тогда последняя будет функционировать с хорошим КПД.
Трубы нужно прокладывать так, чтобы вода шла самотеком, то есть под 250-градусным уклоном на прямой подаче и 30-градусным – на обратной.
Важно заложить запас мощности на остывание после прогорания топлива.
Требуется обеспечить достаточный объем воды для каждой отдельной модели, ведь если ее будет слишком мало, она быстро закипит, что чревато образованием отложений на стенках и возникновением пожароопасной ситуации, а если чересчур много, придется долго ждать, прежде чем принять душ.
Как подключить теплообменник, если бак находится в парной:
- Вход в бак горячей воды должен быть как min на 5 см выше, чем верхний штуцер регистра. Это нужно для лучшей циркуляции.
- Верхний регистр от 1,4-1,5 м от пола, это при том, что подиум под печь составляет 15 см. Низ бака в парной должен быть не ниже 1,5 м, а лучше выше.
- Если бак высотой 0,5 м, то тогда мы имеем в сумме установку 2,0 м. Значит до потолка еще полметра. И тут возникает вопрос: как заливать жидкость. Если есть водопровод, то вода будет поступать без проблем.
Второй вариант подключения: бак ставим ниже, а штуцер для подводящего контура ставим сбоку. Но есть нюанс, если уровень воды будет ниже верхнего штуцера, циркулирования не будет. В теплообменнике она будет стоять и периодически доходить до кипения, а в баке она так и будет прохладной.
Если требуется разместить бак в помывочной, следует соблюдать те же принципы, что и при его расположении в парной.
Какой теплообменник выбрать для печи в баню
При выборе конструкции теплообменника, учитывают преимущества и недостатки каждого вида. На подбор подходящего устройства влияет целевое предназначение и необходимая производительность:
Печь для бани со встроенным теплообменником – используется для одновременного обогрева и горячего водоснабжения. Печи длительного горения, работающие в режиме газогенерации, не могут обеспечить необходимую теплоотдачу при установке навесного бака. Причина этого в том, что дымовые газы имеют меньшую температуру нагрева.Если планируется установить печку длительного горения, альтернативы встроенному змеевику или пластинчатой конструкции, нет. Эффективное отопление в бане возможно только от печи с встроенным теплообменником.

Печь для бани с водонагревателем самоварного типа – отличает высокая производительность горячей воды, но для отопления, бак, надеваемый на дымоход, не сильно подходит по техническим характеристикам.

Выбирая, что установить, встроенный теплообменник или самоварного типа, учитывают особенности их эксплуатации. Для одновременного отопления и обеспечения горячей воды, лучше подойдет змеевик, пластинчатый теплосъемник или водяная рубашка. Исключительно для ГВС, лучше установить водонагревательную емкость самоварного типа.
Как установить теплообменник в печь
Встроенный теплообменник – монтируют на заводе, барабанного типа – устанавливается на трубу дымохода. Баки изготавливают разного внутреннего диаметра, поэтому, монтаж не требует много усилий и проводится одновременно с выводом дымоходной трубы. Заводские емкости поставляются с вместимостью от 20 до 80 л.
Сложность заключается в подключении батарей от печи. На корпусе расположены специальные отводы для подачи и обратки теплоносителя, к которым подсоединяются трубы системы отопления.
Работы выполняют с соблюдением следующих рекомендаций:
Трубы для подключения к теплообменнику. Температура теплоносителя часто превышает 85-100°С. Пластик, при таком нагреве, может деформироваться, поэтому его не используют. Для теплообменника надо использовать трубы из стали, подойдет медь.
Подключение батарей – при естественной циркуляции длина трубы от корпуса печи, не должна превышать 10 м.
Установка циркуляционного оборудования – системы отопления с принудительной циркуляцией устанавливаются для больших отапливаемых помещений, зачастую используются в промышленных банях.
Диаметр трубы теплообменника – производители четко прописывают в технической документации размер и шаг резьбы, облегчающий подбор трубы для монтажа. Диаметр трубопровода в системе отопления, при необходимости можно увеличить, но не уменьшить.
Какие печи для бани лучше – с контуром или без
В традиционных банных печах не использовался теплообменник в обычном понимании этого слова. В каменках устанавливали встроенный бак с нижним или верхним подключением, предназначенный для нагрева воды. Позже, появился съемный теплообменник, устанавливаемый на дымоход.
За определенный период эксплуатации, потребители смогли выделить слабые и сильные стороны печки с водогрейным контуром. Узнать о них можно, внимательно изучив отзывы о теплообменниках.
В качестве недостатков выделяют:
Шум в теплообменнике – спустя несколько месяцев после установки наблюдается гул во время растопки печи. Происходит это по причине зарастания змеевика. Сужение диаметра трубы приводит к быстрому нагреванию и закипанию теплоносителя, что и становится причиной шума.
Требования, связанные с установкой – при естественной циркуляции теплоносителя, для нормальной работы печи потребуется, чтобы трубы в системе отопления были смонтированы со строгим соблюдением наклонов. Убрать воздушную пробку из труб достаточно сложно, придется при максимальном нагреве топить печку несколько часов подряд.
Требование в регулярном обслуживании. Нагрев воды через теплообменник связан с необходимостью чистить и промывать внутреннюю полость змеевика, по крайней мере один раз каждый отопительный сезон.
В зимний период, после каждого посещения и растопки печи, потребуется убрать воду из внутреннего теплообменника, что также доставляет неудобство.
Банные печи с водяным контуром получили широкое применение в промышленных целях. Бытовые модели не получили широкого распространения, за исключением водонагревателей самоварного типа, устанавливаемых на трубу.
Источник
Варианты установки теплообменной конструкции
Установка теплообменного устройства любого вида предполагает проведение немалого объема работ, особенно если его эффективность имеет серьезное значение. Например, простейшая спираль на дымоходе может слабо прогреваться, а циркуляции без насоса не быть совсем. Тогда приходится принимать меры, вплоть до отказа от такой конструкции. На практике один теплообменник для печи, установленный в разных местах, выдает разный КПД. Условно можно составить такой ТОП, начиная с самой эффективной разновидности:
- чугунный или стальной П-образный регистр в топке;
- водяная рубашка вокруг топки или у какой-либо из ее поверхностей;
- П-образный дипломат в топке;
- дипломат непосредственно над топкой или за ней, с максимальным контактом;
- водяная рубашка вокруг каменки;
- регистр, дипломат или змеевик в каменке;
- дипломат или змеевик за каменкой;
- водяная рубашка на дымоходе.
Змеевик на дымоходе условно является наименее эффективным вариантом. Однако простота устройства нередко нивелирует недостатки. К тому же, КПД повышается различными способами. Среди них – обкладка змеевика термоизолированным кожухом с заполнением пустот песком либо установка конструкции прямо в каменку.
Все названия условны. Например, нередка такая заводская конструкция, когда емкость кубической формы встроена над каменкой. Ее можно считать рубашкой или дипломатом.
Правильное подключение
Дровяная печь или камин с любым теплообменником – это лишь часть системы. Для ее энергоэффективной работы ключевым фактором остается циркуляция теплоносителя. Даже когда применение насоса явно необходимо (например, в большом двух- или трехэтажном доме), естественная циркуляция – важная вещь. Благодаря ей трубы не полопаются из-за разморозки слишком быстро, и вода так просто не закипит, если отключится электричество. Для улучшения циркуляции желательно придерживаться следующих правил:
- чем выше разбег патрубков теплообменного устройства по высоте, тем лучше;
- расширительный бак ставят как можно выше, рядом с печкой;
- к баку идет труба с верхнего патрубка;
- труба от расширительной емкости идет к нижнему входу радиатору;
- все горизонтальные участки делают под наклоном (не меньше 3 мм на 1 м);
- выход с радиатора только с противоположной стороны или по диагонали.
Еще один важный момент – проходимость трубопровода. Чем она выше, тем лучше. Поэтому не стоит сужать диаметр, встраивать лишние колена, арматуру, а также применять ржавые изнутри или пластиковые трубы.
Принцип работы печи с теплообменником
Банная печь с теплообменником
Теплообменники или водяные контуры независимо от своего месторасположения работают по единому принципу. Тепловая энергия непосредственно от печи передается водяной рубашке или регистру. Залитый в теплообменник теплоноситель начинает нагреваться; в баке или же вода имеет комнатную или ниже таковой температуру.
За счет этой температурной разности в контуре создается давление, которое способствует самотечной циркуляции теплоносителя. То есть, нагретая в теплообменнике вода поступает в выносной бак. Из бака горячая вода расходуется на гигиенические процедуры, после чего в емкость заливается холодная порция теплоносителя. Холодная вода в свою очередь переносится по трубам в теплообменник, где происходит ее нагрев.
Если система закрытого типа (то есть выносной бак работает как отопительный прибор), заливка воды производится строго до розжига печи, в противном случае из-за разницы температур может деформироваться и лопнуть металл теплообменника.

Циркуляция продолжается до тех пор, пока в печи поддерживается высокая температура.
Таким образом, при наличии в печи теплообменника отпадает необходимость в установке водонагревателя для душевой, а также обустройстве дополнительных источников тепла в помещениях.
Виды ТО
Схема и принцип работы рекуперативного теплообменника
По принципу работы оборудование делится на рекуперативное и регенеративное. В первых движущиеся теплоносители разделены стенкой. Это самый распространенный вид, он может быть различных форм и конструкций. Во втором случае с одной и той же поверхностью по очереди контактируют горячий и холодный теплоносители. Высокая температура нагревает стенку оборудования во время контакта с горячей средой, далее температура передается холодной жидкости при контакте с ней.
По назначению ТО делятся на два вида: охладительные – работают с холодной жидкостью или газом, остужая при этом горячий теплоноситель; и нагревательные – взаимодействуют с разогретой средой, отдавая энергию потокам холодной.
По конструкции теплообменники бывают нескольких видов.
Разборные
Состоят из рамы, двух концевых камер, отдельных пластин, разделенных термостойкими прокладками и крепежных болтов. Такое оборудование отличается простотой очистки и возможностью увеличения эффективности путем добавления пластин. Но разборные ТО чувствительны к качеству воды. Для продления срока их службы требуется установка дополнительных фильтров, что увеличивает стоимость проекта.
Пластинчатые
Пластинчатый теплообменник нуждается в установке дополнительных фильтров на теплоноситель
Отличаются методом соединения внутренних пластин:
- В паяных ТО гофрированные пластины из нержавеющей стали толщиной 0,5 мм сделаны путем холодной штамповки. Между ними устанавливается прокладка из специальной термостойкой резины.
- В сварных пластины свариваются и образуют кассеты, которые затем компонуются внутри стальных плит.
- В полусварных ТО кассеты скрепляются посредством паронитовых соединений в конструкции из небольшого количества сварных модулей. Эти модули уплотняются резиновыми прокладками и соединяются лазерной сваркой. После чего собираются между двумя плитами при помощи болтов.
Пластинчатые теплообменники используются в условиях повышенного давления и экстремальных температурах. Такие устройства требуют минимального технического обслуживания, экономичны и отличаются высокой эффективностью. Кроме того, по необходимости можно увеличить или уменьшить эффективность оборудования путем увеличения или уменьшения количества стальных пластин.
Единственным недостатком теплообменника из гофрированной нержавейки служит чувствительность к качеству теплоносителя, необходима установки дополнительных фильтров.
Кожухотрубные
Состоят из цилиндрического корпуса, куда помещены пучки трубок, собранных в решетки. Концы труб крепятся развальцовкой, сваркой или пайкой. Достоинством такого оборудования служит нетребовательность к качеству теплоносителя и возможность использования в технических процессах, где присутствуют агрессивные среды и высокое давление (в нефтяной, газовой, химической промышленности). Недостатки кожухотрубных ТО – относительно низкая теплоотдача, большие габариты, высокая стоимость и сложность в ремонте.
Спиральные
Состоят из двух листов металла, свернутых в спирали. Внутренние края соединены перегородкой и закреплены штифтами. Такие теплообменники компактны и обладают эффектом самоочистки. Они способны работать с жидкими неоднородными средами, любого качества. При повышении скорости движения жидкости, увеличивается интенсивность теплообмена. Недостатки: сложность в изготовлении и ремонте, ограничение давления рабочей жидкости до 10 кгс/см².
Двухтрубные и труба в трубе
Схема теплообменника «труба в трубе»
Первые состоят из труб разного диаметра. В качестве теплоносителя используется жидкость и газ. Устройства используются в местах с повышенным давлением, имеют высокий уровень теплоотдачи. Отличаются простотой монтажа и обслуживания. Единственный недостаток – высокая стоимость.
Теплообменник «труба в трубе» состоит из двух труб разного диаметра, соединенных между собой. Они используются при небольшом расходе теплоносителя и чтобы оборудовать дымоход.
Как работает теплообменник, установленный в банную печь
Устройство печи с теплообменником настолько хорошо зарекомендовало себя, что появились различные варианты конструкции теплосъема, с различной степенью эффективности. Самые распространенные:
- Классический змеевик.
- Встроенный плоский теплообменник (похожий на две полые тарелки, соединенные между собой).
- Самоварный теплообменник, устанавливаемый на дымовую трубу.
Водяная рубашка, окружающая топочную камеру, применяется крайне редко и встречается всего в 1-2 моделях печей заводского производства.
Между тем, банные печи с теплообменником стали предметом дискуссий потребителей. Некоторые утверждают, что применение не практично, другие наоборот, указывают на удобство и комфорт во время эксплуатации.
Что дает встроенное или самоварное устройство теплосъема?
- Теплообменник в банной печи нужен для получения горячей воды для помывки. Эта задача была основной при проектировании конструкции.
- Возможность отопления в бане от печи с водяным контуром – фактически, металлическая печь становится неким подобием отопительного котла. Во время топки выделяется достаточно тепла для прогрева теплоносителя и нагрева необходимого объема воды ГВС.
Принцип работы зависит от используемого устройства. Эффективность определяется несколькими параметрами:
- Надежность.
- Достаточная теплоотдача.
- Возможность работы без использования теплообменника.
По своей конструкции, можно разделить все водогрейные устройства на встроенные и надстраиваемые (самоварного типа).
Встроенный теплообменник
Печи для бани с водяным контуром под отопление и нужды ГВС, стали появляться после того, как хорошие отзывы получили обычные водяные теплогенераторы. По своему устройству, печное оборудование с интегрированным водонагревательным контуром делится на несколько классов:
- Змеевик – простейшее устройство, используемое в классических твердотопливных котлах. Внутри конструкции располагается согнутая металлическая трубка. Форма разная и зависит от особенностей внутренней конструкции печи. Змеевик располагают так, чтобы пламя не воздействовало на него напрямую, а нагрев осуществлялся посредством дымовых газов.
- Плоский теплообменник – устройство более сложное по сравнению с предыдущим. Плоский теплообменник для банной печи, выглядит как две полых тарелки, соединенных между собой. По теплоэффективности, конструкция превосходит змеевик, используется в современных моделях печного оборудования.
- Встроенный бак – в печи изготавливается отдельная емкость, устанавливаемая сверху топочной камеры. Встроенный горизонтальный теплообменник быстро нагревается и сохраняет температуру, пока печь остается горячей.
- Водяная рубашка – представляет полость, окружающую всю топочную камеру и дымовые каналы. Конструкция часто используется при производстве твердотопливных котлов, но не получила широкого применения при изготовлении банных печек.
Принцип работы интегрированного теплообменника в банной печи заключается в следующем. Спираль или пластина разогреваются от дымовых газов, температура которых достигает 450-500°С. При нагреве возникает давление, заставляющее теплоноситель циркулировать в системе обогрева. В схемах, где используется бойлер косвенного нагрева, ГВС подогревается за счет тепла отопления.
Самоварного типа
Установка теплообменника на банную печь – бюджетное решение проблемы ГВС и отопления. Водогрейное устройство изготавливается двумя способами:
- Змеевик – на дымоходную трубу устанавливается змеевик из алюминия или меди. Для систем с естественной циркуляцией, вплоть до накопительной емкости или водораспределительных кранов, размеры змеевика не должны превышать 3 м. Оптимальные размеры теплообменника с принудительной циркуляцией, 5 м.
- Устройство теплообменника самоварного типа – специалисты сходятся во мнении, что именно такая конструкция оптимально подходит для бани. Горячая вода для душа готовится постепенно, предотвращается закипание жидкости.
Движение воды в теплообменнике самоварного типа происходит по естественным физическим законам. Нагретая жидкость поднимается вверх, в емкости создается давление.
Оптимальный объем теплообменника самоварного типа выбирают так, чтобы вода достигала необходимой температуры, после 2-3 часов интенсивного горения. Конструкция оптимально подходит для обеспечения водоснабжения горячей водой.
Что это такое
Устройство служит для нагрева воды в бане. Его принцип работы основан на физических свойствах горячей воды, расширяющейся и поднимающейся вверх, а холодная при этом остается внизу.
Обычно теплообменник небольшого размера, поэтому жидкость в нем быстро нагревается. К нему присоединяются две трубы – снизу и сверху. Таким образом, горячая по верхнему патрубку, замещаемая снизу холодной, поднимается в бак, который может находиться как в парилке, так и в смежном помещении, как правило – в мойке. При этом вода низкой температуры по нижней трубе постоянно без принудительной подачи добавляется в устройство для нагрева.
Варианты нагрева воды в бане от печи
Выделяют следующие модели:
1. Емкость самоварного типа – устанавливается на выходной патрубок дымохода. Нагрев происходит за счет тепла уходящих в трубу дымовых газов. К штуцеру на дне бака подсоединяется кран для разбора горячей воды. Если у вас нет помывочной, то данный вариант будет отличным решением для нагрева
Мы рекомендуем обратить внимание на следующие условия эксплуатации:
- использование бака самоварного типа допускается только с печами для бань;
- запрещается эксплуатировать пустой бак во время работы печи;
- если вы хотите получить «финскую сауну» данный вариант нагрева воды вам не подойдет, так как в случае долгого разогрева парной жидкость начнет кипеть, из-за чего образуется тяжелый пар.


2. Теплообменник самоварного типа (небольшого размера с возможностью подключения к баку), который можно расположить в любом месте. Удобен тем, что при его наличии, бак можно разместить в помывочной. Из очевидных преимуществ перед остальными вариантами – быстро нагревает воду.


3. Теплообменник, который устанавливается на стартовый дымоход.
4. Стартовый дымоотвод + бак-рюкзак – вариант с нахождением в парной и отсутствием регулируемой конвекции для прогрева помещения.
Емкость соприкасается со стенкой трубы дымохода, за счет чего происходит нагрев жидкости. Из недостатков также можно отметить, что данная модель не имеет защиты от жесткого инфракрасного излучения, и в случае сильного нагревания, вода начинает кипеть.
5. Дымоход-конвектор со встроенным в него нагревателем.
Особенности: регистр находится внутри трубы, из которой выходят 2 одинаковых штуцера ¾ дюйма с внутренней резьбой. С помощью патрубков устройство соединяется с баком, висящим в удобном месте.
Может быть:
- Вмонтирован в печь – при появлении накипи теряет КПД.
- Расположен возле дымохода (на нем) – медленнее обеспечивает нагрев до необходимой температуры, зато на его внутренней поверхности ничего не оседает, к нему имеется легкий доступ, и его ремонт не составляет труда.
Выбор зависит от пользователя: чему отдать предпочтение, производительности или комфорту в обслуживании, экономии полезной площади или топлива.
По месту расположения емкости для теплой воды
В зависимости от того, где располагают емкость с водой, выделяют следующие виды нагревателей:
- Емкость непосредственно в парилке — позволяет воде быстрее греться, т. к. водопровод отсутствует или очень короткий. Сокращаются и теплопотери. Недостаток вполне очевиден: полезная площадь парилки сокращается.
- Емкость находится в смежном помещении, где оборудована душевая. Часто рекомендуют именно этот вариант. В отдельной душевой мыться удобнее и места в парилке больше. Но растет длина водопровода.
- Проблему слабого напора позволяет решить установка бака с теплоносителем на чердаке. Этот способ так же не лишен недостатка. Нужно подвести холодную воду наверх, да и длина горячего водопровода больше. Емкость нужно тщательно утеплять, чтобы максимально снизить теплопотери.
Рекомендации по изготовлению
Многие домовладельцы, не обладающие возможностью приобретать готовые изделия или не желающие это делать, используют у себя в бане самодельные печи, сваренные из металла и обложенные кирпичом. Другой, не менее популярный вариант – это нанять мастера-печника, чтобы он сложил добротную кирпичную печку. При этом нет большой проблемы в том, чтобы оборудовать ее змеевиком либо внутренним бачком для подогрева воды.
Чтобы изготовить теплообменник для печи своими руками в виде прямоугольного бачка, надо взять нержавеющий лист толщиной 1,5-2 мм либо обычный металл (не менее чем 3 мм). Форма бачка прямоугольная, размеры зависят от места его установки. По этому вопросу следует посоветоваться с мастером, выполняющим кладку печи. С ним стоит согласовать не только размеры теплообменника, но и толщину металла, ведь конструкцией источника тепла может предусматриваться его установка как непосредственно в топке, так и в дымоходном канале
Важно выдержать требование: объем бачка не должен превышать 5 л
Вмонтировать в стальную или кирпичную печь можно и самодельный змеевик. Для этого необходимо взять стальную или нержавеющую трубу и придать ей необходимую форму на станке – трубогибе. Другой способ, подходящий для кирпичных печей, – смастерить сварную конструкцию из нескольких труб в виде радиатора. Обычно место под его установку предусмотрено конструкцией и располагается в одном из газоходов. Тогда для изготовления подойдет труба из обычного металла со стенкой 3-4 мм.
Сделать стальную печь с теплообменником своими руками гораздо проще, если не встраивать его внутрь, а поставить на дымоход. То есть применить нагреватель самоварного типа.
Виды
По назначению, разделяют теплообменники на:
- Охладительные.
- Нагревательные.
Первые содержат в себе холодный газ или жидкость. Контактируя с ним, разогретый теплоноситель остывает.
Нагреватели же наоборот, содержат в себе разогретый газ (жидкость), который делится теплом с циркулирующей холодной жидкостью (газом).

Устройство поверхностного теплоомбенника
И «нагреватели» и «охладители» могут различаться по конструкции:
- Поверхностные (тот случай, когда среды контактируют через промежуточную поверхность).
- Регенеративные (поочерёдная подача холодной и горячей среды к специальной насадке, которая, нагреваясь и охлаждаясь, регулирует температуру сред).
- Смесительные (подача одной среды непосредственно в другую и их перемешивание).
Надо сказать, что поверхностные теплообменники используются чаще всего. Они значительно отличаются по форме. Здесь можно выделить три типа:
- Пластинчатые (множество пластин, собранных в кассеты, по лабиринтам которых проходит жидкость).
- Змеевики (тонкая трубка, закрученная в спираль).
- Труба в трубе.
Установка банной печи с теплообменником
- Монтаж агрегата выполняется на предварительно углубленный в грунт (на 40 см) фундамент. Сооруженная основа не должна выступать над уровнем пола.
- Вокруг печи выполняется кладка из кирпича с применением глиняного раствора.
- Теплообменник для отопительного устройства устанавливается в смежном с парилкой помещении.
- В стене бани выполняется отверстие для вывода топки.
- В систему заливается жидкость, которая через трубы, обмотанные теплоизоляцией, подается в накопительный резервуар.
- Устанавливается дымовой канал, верхний конец которого проходит через отверстие в потолке и прикрепленному к нему металлическому листу.
- Производится тщательная герметизация проема и всех стыков.
Установка
Монтировать теплообменник удобнее всего на этапе кладки. Это помогает соорудить его более правильно с четким соблюдением размеров, зазоров. При этом намного проще соответствовать заданным размерам. После установки теплообменника на фундамент печки, его обкладывают кирпичом. Это проще, чем разбирать имеющуюся конструкцию, хотя и такой подход не исключается.
Чтобы увеличить время эксплуатации нужно обращать внимания на следующие нюансы:
- не фиксировать трубы крепежами из металла;
- не наполнять систему слишком холодной водой, иначе образуется сильный конденсат;
- соблюдать соотношение размеров печи и теплообменника, разница не должна быть большой;
- пользоваться уплотнителями с хорошей огнестойкостью;
- соблюдение мер пожарной безопасности.
Указанные простые установки помогут предотвратить возникновение опасных для жизни и здоровья людей ситуации, увеличат время службы, помнить о безопасности.




































