Общие сведения
Предшественниками такой плачевной ситуации являются следующие моменты:
- изношенность оборудования теплосети;
- большие потери тепловой энергии;
- ненадлежащая деятельность коммунальных организаций;
- бедность местного бюджета.
Понятие и плюсы
Независимое теплоснабжение это система, в которую входят потребители и источники тепла. В качестве потребителей здесь могут выступать отопление, гвс, вентиляционная система. Источники — котельная либо котел.
Можно выделить следующие плюсы:
независимость;
- самостоятельное регулирование подачи тепла и температурного режима;
- возможность установки термостата на всех батареях;
- обслуживание такого теплоснабжения в разы дешевле услуг централизованной сети;
Как и везде, здесь не обойтись без минусов:
- При монтаже будет необходимо значительно потратиться на оборудование, а также произвести качественное подключение всех элементов;
- В процессе устройства может потребоваться частичное разрушение перегородок и полов, что в последствии выльется в косметический ремонт;
- обслуживание производится с помощью представителя сервисного центра, что также не бесплатно;
- Для установки подобного устройства необходимо будет получить разрешение соответствующего органа.
Воздушное автономное отопление

Системы воздушного отопления бывают только в автономной конфигурации – при этом могут иметь довольно крупные размеры, используются для обогрева не только жилых, но других объектов значительного объема.
Принцип работы воздушного комплекса основан на прямом нагреве воздуха и распределении его по отапливаемым помещениям через сеть воздуховодов. В состав схемы входят следующие базовые элементы:
- Теплогенератор – воздухонагреватель (обычно газовый или электрический);
- Сеть воздуховодов различной формы и сечения;
- Распределительные и регулирующие устройства;
- Вентилятор;
- Фильтры;
- Вспомогательные устройства – увлажнители, ионизаторы, лампы обеззараживания и так далее.
Циркуляция воздуха в отапливаемых помещениях реализуется по 3-м схемам – от них зависит расход энергоносителя и показатели микроклимата. При прямоточной схеме комплекс реализует функцию приточной вентиляции – в помещения нагнетается нагретый воздух, забираемый снаружи помещения – расход топлива при этом имеет максимально возможное значение, показатели микроклимата являются оптимальными. Другая конфигурация схемы – рециркуляционная – работает по замкнутому циклу (использует только внутренний объем воздуха), является самой экономичной, но имеет не лучшие показатели качества воздуха. Оптимальным вариантом является смешанная схема – здесь реализуется частичное подмешивание в нагреваемый поток свежего воздуха извне помещения.
Основными достоинствами воздушных систем отопления является высокая скорость нагрева, отсутствие воды, возможность улучшения микроклимата, возможность экономии занимаемого пространства при потолочном размещении, сочетание функций обогрева, вентиляции и кондиционирования. Главный недостаток – ориентация комплекса только на отопление – реализовать производство горячей воды, обеспечение теплом других потребителей (теплых полов, теплообменников) не представляется возможным.
Какой котел выбрать?
Рассматривать варианты необходимо руководствуясь площадью дома. Немалое влияние оказывают и климатические факторы. Прогреть помещения в регионах со средними показателями минусовой температуры в пределах 15°С, можно прибором меньшей мощности. Большое влияние оказывает и степень изношенности строения, при условии смены отопления на новую: герметичность дверей, утепление окон и общее состояние дома. Немалый вес на выбор оказывает и доступность энергоресурсов. По возможности, лучше приобретать котел, работающий от электричества и на газу одновременно.
При выборе учитываются и функциональные особенности. Не слишком популярные у населения котлы, работающие на дорогом электричестве, привлекают многих, отсутствием открытого источника пламени, а значит и продуктов горения, попадание которых в помещение нежелательно. Менее востребованы устройства, работающие на твердом топливе. Отпугивает потребителей, в этом случае, необходимость заготовки и выделение площади под его складирование.
Твердотопливные котлы характеризуются и цикличностью прогрева. Очень трудно поддерживать единую температуру, понемногу подбрасывая дрова. Если же других возможностей проведения автономного отопления для дома нет, есть несколько советов по минимизации издержек:
предусмотрите монтаж дополнительного оборудования, например теплоаккумулятора;
путем снижения количества топок, можно изменить режим горения с переменного на постоянный;
плавное и равномерное отопление обеспечивают газовые или дизельные котлы.
Схема отопления
В централизованном теплоснабжении используется однотрубная схема, которая уступает по эффективности двухтрубной. Однотрубная система применяется только для небольшого количества радиаторов в ситуации, где нужно сэкономить.
Оптимальный выбор для индивидуального обогрева – двухтрубная схема. Она имеет такие преимущества:
- использование труб и фитингов меньшего диаметра;
- высокая стабильность давления в системе;
- возможность монтажа автоматических регуляторов протока на всех батареях, которые будут работать без ущерба для нагрева других радиаторов;
- независимое подключение каждой греющей секции, позволяющее снимать его для обслуживания или получения доступа к нише во время ремонта.

Необходимые разрешения
Отключение центральных теплоснабжающих коммуникаций в квартире, сопровождаемое последующим переходом на газовое отопление, требует долгого урегулирования между инициатором работ, жильцами дома, владельцем коммуникаций и контролирующими организациями. Данный случай вынуждает пройти ряд юридических этапов:
- согласование с жильцами путем сбора подписей;
- составление плана реорганизации системы отопления;
- согласование плана контролирующими органами.
На каждом этапе предстоит долгая трудозатратная работа, сопровождаемая немалыми финансовыми вложениями. План переустройства должен обеспечить необходимый расчет показателей эффективности отопления при отключении от системы одной квартиры. Практика показывает, что единолично перейти на индивидуальное отопление – практически невозможно. Более надежный вариант – обсудить переход всех жильцов дома путем общего собрания.
Другой вариант – отсоединение стояка теплоснабжения в квартире. Отопительный контур можно использовать, подключив к газовому котлу без полного демонтажа трубы теплоснабжающей организации, тогда отопление будет считаться частичным, заметно снижая соответствующую плату по счетам услуг ЖКХ.
Если установка газового котла требуется исключительно для бесперебойного снабжения квартиры горячей водой, организация процесса существенно упрощается. Однако, палки в колеса вставляет Федеральный Закон № 190-ФЗ «О теплоснабжении», запрещающий переход на индивидуальные средства отопления. Закон содержит ограниченный перечень характеристик оборудования, которое разрешено использовать для обособленного отопления квартир. Соблюдая законодательные рамки, вы имеете полные законные основания смонтировать газовый котел, пройдя согласования газовой службы. Для этого необходимо обеспечить соответствия помещению, куда будет смонтирован котел определенным нормам.
Как правильно выбрать подогреватель для двигателя?
При запуске мотора транспортного средства в условиях низких температур масло в полном объеме расположено в поддоне, насос, прокачивающий его по мотору, еще не запущен. Это в значительной степени увеличивает процент износа других элементов. Если говорить языком цифр – один запуск двигателя при температуре -15 градусов эквивалентен 100-километровому пробегу автомобиля. Использование предпускового подогревателя позволяет предварительно прогреть двигатель, масло, охлаждающую жидкость. Все это обеспечивает легкий запуск мотора с минимальным процентом износа. При помощи данного аппарата можно обеспечить качественный прогрев салона.
Подобные аппараты бывают электрическими или автономные. Устройства первого типа подойдут для транспортных средств, которые хранятся в гаражах, подключенных к электричеству. Эти модели обладают элементарной конструкцией, они быстро разогревают мотор до рабочей температуры. Автономные модели, по большому счету, представляют собой стандартные двигатели внутреннего сгорания в миниатюре. Их подключают к топливной магистрали автомобиля. Они работают через пульт дистанционного управления.
Работа предпусковых подогревателей на примере Webasto | Своими глазами
Watch this video on YouTube
Первоначально они разогревают охлаждающую жидкость и принудительно запускают ее циркуляцию по всему рабочему контуру. Чтобы прогреть все элементы мотора до рабочей температуры, у этого устройства уходит около часа. Однако примерно через 10-15 минут мотор достигнет температуры 30-40 градусов, что позволит запустить двигатель без чрезмерных нагрузок.
Когда мы выбирали продукцию для нашего рейтинга лучших подогревателей двигателя, то, в первую очередь, мы опирались на все моменты, о которых рассказали немного выше. Перед составлением обзора мы изучили множество отзывов пользователей относительно данной продукции – это позволило нам определить наиболее качественные варианты среди всех, представленных на рынке. Мы постарались максимально подробно проанализировать характеристики каждой модели, чтобы читатели сумели выбрать для себя наиболее подходящий вариант.
Особенности бюджетного отопления дома без газа
Автономное отопление в частном доме без газа возможно во многих вариантах. Учитывают индивидуальные особенности местности, самого строения и бюджета, предусмотренного на эти цели.

Многие варианты предусматривают дополнительную возможность нагрева воды, благодаря чему параллельно с отоплением решается вопрос горячего водоснабжения.

Использование оборудования, работа которого основана на применении альтернативных источников отопления, требует немалых стартовых вложений на покупку соответствующего оборудования.

Внимание! Какой бы ни был выбран вариант отопления дома, значительно повысить его эффективность и существенно снизить потери тепла помогут утепленные стены, двери и окна. Сокращения расходов тепла в этом случае можно добиться практически вдвое

Газовая система отопления в гараже
Такое отопление лучше всего устанавливать тогда, когда Ваш гараж построен рядом с домом, или непосредственно в доме.
Существует 2 типа котлов для отопления, которые работают на газу:
- Одноконтурные агрегаты для отопления. Такие котлы способны только обогревать помещение.
- Двухконтурные котлы. Такие агрегаты способны и обогревать помещение, и нагревать воду для семейного пользования.
Для гаража подойдет первый вариант, потому что главная задача любого агрегата для отопления – это обогрев помещения. Хорошо еще и то, что на газовых котлах можно регулировать температуру, а также они работают в автономном режиме.
Электрическое отопление: преимущества и недостатки
Электрическое автономное отопление в качестве источника тепла использует электрический котел. К основным преимуществам можно отнести:
- бесшумный режим функционирования;
- безвредность для здоровья человека – не выбрасывает в воздух вредные и токсичные вещества;
- простую эксплуатацию;
- наличие возможности регулировки температурного режима для каждой комнаты и помещения в отдельности.
В то же время имеет электрическое автономное отопление недостатки:
- можно установить только в благоприятной среде, где перепады напряжения электросети отсутствуют;
- высокая стоимость электрической энергии.
Твердотопливное отопление
В течение многих лет одним из самых дешёвых остается обогрев с применением твердого топлива: угля, древесины или биомассы. Их цены различны и зависят в первую очередь от количества вырабатываемого тепла при сжигании. Соответственно, чем больше вы его получаете, тем меньше будут затраты на покупку топлива.
Остается очень популярным экологически чистый, отобранный уголь. Обычно за него приходится платить немного больше, чем за обычный, но для многих это самый удобный способ отопления. Для сжигания угля предусмотрены котлы с резервуарами для хранения, автоматически подающие топливо. Их обслуживание менее трудоемко, в отличие от котлов, топливо которых должно быть заготовлено вручную. После загрузки уголь нужно пополнять каждые несколько дней.
Лучевая разводка отопления

При обустройстве индивидуального отопления следует выбрать оптимальный вариант подключения радиаторов к нагревательному устройству. До недавнего времени чаще всего использовалась система последовательного подключения теплообменников, при которой температура теплоносителя постепенно снижалась, из-за чего одни помещения нагревались больше, другие меньше.
Более эффективной является лучевая схема подключения, при которой каждая батарея напрямую соединяется с газовым или электрическим котлом, что позволяет дифференцированно распределять тепло по квартире. К тому же лучевая разводка позволяет скрыть трубы под полом или в стенах, что положительно скажется на интерьере комнат.
Конечно, и в такой схеме имеются свои недостатки. И прежде всего ― это большое количество труб и соединительных элементов, что скажется на повышении затрат на закупку материалов и монтаж. Лучевая разводка требует применения циркуляционного насоса и коллектора, без которых она не сможет полноценно функционировать. Кроме того, необходимо выполнить предварительные расчёты для определения диаметра и метража труб и соблюдения уклонов.
Виды отопления частных домов
Частные дома отапливаются различными способами. Основными являются следующие типы отопительных систем:
- Водяное отопление;
- Воздушное отопление;
- Печной обогрев;
- Альтернативные способы обогрева.
Выбор вида отопления зависит от наличия того или иного вида топлива, размеров жилого дома, режима пребывания жильцов, финансовых возможностей владельца. Во всех случаях вид системы отопления рекомендуется определять на начальных стадиях строительства – это поможет впоследствии избежать затрат на капитальную замену системы обогрева.
При разработке проекта жилого дома также следует уделить внимание созданию качественной системы тепловой изоляции. Эффективная тепловая защита позволяет значительно снизить платежи за топливо
При современной ситуации – стабильном росте цен на энергоносители – мероприятия по снижению тепловых потерь весьма актуальны.
Важным аспектом является выбор вида топлива, на базе которого будет сооружаться отопительный комплекс. Выбор топлива зависит от его доступности, стабильности поставки, стоимости для конкретного региона.
Главными видами топлива являются:
- Природный (магистральный) газ;
- Твердые виды топлива – дрова, уголь, брикеты, гранулы и т.д.;
- Сжиженный газ;
- Жидкое топливо – солярка и другие;
- Электрическая энергия.
В приведенном списке энергоносители выстроены последовательно от самого дешевого к самому дорогому. Использование каждого вида топлива имеет свои условия. Подключение природного газа требует наличия в пределах досягаемости газопровода, получения разрешения снабжающей организации, выполнения и согласования проекта.
Теплогенераторы на твердом топливе – котлы и печи – обслуживаются чаще всего вручную, требуется сооружение склада и создание немалого запаса.
Сжиженный газ требует соблюдения особых мер хранения ресурса. Использование баллонов для отопления частного дома средних и крупных размеров нерационально – потребуется постоянная частая замена баллонов. Решением этого вопроса может послужить строительства хранилища – газгольдера – но это выльется в серьезные затраты. Достоинством котлов на сжиженном газе можно назвать возможность последующего их переустройства для работы на магистральном газе.
Самыми дорогостоящими видами топлива являются жидкое (углеводородное) топливо и электроэнергия. Дизельное топливо требует повышенного внимания к мерам пожарной безопасности, при его использовании в жилом доме может часто появляться неприятный запах нефтепродуктов.
Системы отопления на основе электроэнергии проще всех в эксплуатации и зачастую в устройстве, не имеют отходов, обладают большим числом технических решений по строительству системы. Немаловажный аспект для использования электроэнергии для отопления – возможность подключения к сетям электроснабжения, стабильность поставки ресурса.
Для отопления домов площадью более 60 – 70 м2 чаще всего требуется подключение трехфазного питания. Во всех случаях требуется соблюдение требований к высокому качеству электропроводки, установка предохранительных и защитных устройств.
Что происходит на практике
Итак, наша задача в квартире — соорудить систему отопления, которая бы работала в автономном режиме. Значит, для этого понадобится в первую очередь котел. Так как все регионы сегодня отдают предпочтение газу, будем рассматривать газовое отопления.
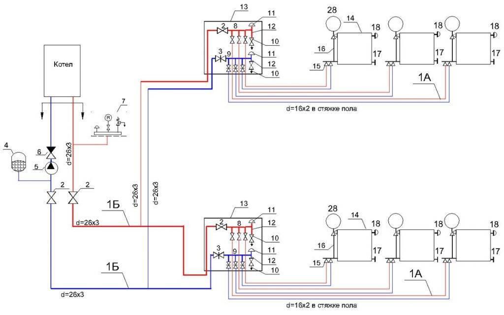
Монтаж и наладка автономного отопления
Монтаж отопления в квартире начинается с подбора котла, где основным показателям является мощность. Что это такое? Это количество выработанной тепловой энергии, которой хватит для обогрева всей площади квартиры. Но при этом учитываются еще два основных параметра – это давление (2 кг/см²) и температура теплоносителя (+80С). Этого будет достаточно, чтобы создать в комнатах нормальные условия проживания.
По этим двум параметрам можно сказать, что каких-то особых требований к механической прочности материалов (труб, радиаторов) практически нет. Поэтому их можно выбирать по другим параметрам. Каким? К примеру, трубы должны обладать высокой степенью коррозионной стойкости плюс удобство и простота монтажа. К радиаторам требования еще проще – привлекательный внешний вид и высокая теплоотдача. Добавим, что приемлемые цены в обоих случаях приветствуются.
Определение понятия
Под автономным отоплением понимают индивидуальную систему обогрева, все компоненты которой находятся в жилище. Благодаря каким аспектам подобный способ пользуется столь большой популярностью? Установка автономного отопления позволяет экономить на коммунальных платежах. Дело в том, что хозяин самостоятельно производит регулировку температуры и устанавливает время обогрева. И в этом кроется значительное отличие такой системы от центрального отопления, которое далеко не всегда способно обеспечить комфорт и уют в жилище. Кроме этого, жителям многоэтажек хорошо известны ситуации, когда коммунальные службы начинают вести профилактические работы или устраняют возникшие аварии. Ждать тепла порой приходится довольно долго. Каким же может быть автономное отопление в квартире или в доме?
Вопросы и ответы
Безопасно ли использовать обогреватель внутри палатки?
Да, но нужно обязательно следить за тем, чтобы грелка не опрокинулась и вещи внутри палатки или сама палатка не подожглись. Кроме того, нужно обязательно проветривать палатку или вообще приоткрыть вход в неё. Воздух внутри быстро сгорает, и дышать становится тяжело, поэтому проветривать нужно даже в сильный мороз.
Что лучше — каталитические грелки или обогреватели с открытым пламенем?
Плиточные (каталитические) обогреватели безопасные и простые в обращении, не выделяют копоти и запаха. Обогреватели с открытым пламенем обладают лучшим КПД, и на них также можно готовить пищу/сушить промокшие вещи.
Стоит ли брать в дорогу запасные обогреватели?
В сложных, экстремальных походах стоит иметь запасной вариант для обогрева палаток. В качестве второго обогревателя должны выступать спиртовая или твердотопливная горелка. Такие обогреватели самые легкие и компактные, топливо для них весит немного, и они работают безотказно за счёт своей простоты. Идеальный вариант в качестве запасного обогревателя.
Как транспортировать обогреватель?
Если речь идет о кемпинге с автомобилями, то вопросов обычно не возникает. Куда сложнее обстоит дело с пешими походами. Обычно производители поставляют обогреватели в чехлах или специальных кейсах, поэтому проблем с тем, чтобы носить их в рюкзаке не бывает. Жидкое топливо переносят в бутылках (керосин, бензин).
Другие варианты автономного отопления
Что значит автономное отопление? Это независимость от внешних факторов, прежде всего. А потому если для вас это имеет большое значение, и вы хотите полностью оградить себя от аварийных ситуаций на центральных инженерных сетях, то можно вообще выбрать отопление с использованием твердого или жидкого топлива, как то: мазут, дизель, уголь, дрова и так далее.

Схема подключения печки к системе обогрева объекта
Однако в условиях города такое, конечно, вряд ли возможно. Где вы будете складировать столько топлива на зиму?.. Хотя раньше люди так и делали. И сейчас делают в российских селах и в северных регионах, до которых газификация еще не дошла, и не скоро еще дойдет.
Однако есть и другие альтернативные источники энергии и обогрева, например, солнечное, геотермальное, ветряное отопление. К сожалению, пока эффективность подобных источников энергии далека от ста процентов, да и не везде они применимы. Но если совмещать сразу несколько, то получается очень даже неплохо. Но такие системы точно должны устанавливать специалисты.
Да и вообще об установке автономного отопления своими руками (если такого опыта у вас нет), задумываться вряд ли стоит. Ведь при неграмотном монтаже страдает его эффективность. А если это еще и связано с газом или сжиганием другого топлива, то и безопасность всей семьи. Что это означает, мы думаем, догадается каждый.
YouTube responded with an error: The request cannot be completed because you have exceeded your quota.
Использование твердых видов топлива
Печь под твердое топливо
Использование твердых видов топлива для отопления гаража идеально подходит для тех регионов, где применение других способов сталкивается с определенными трудностями (перебои с электроэнергией, отсутствие газоснабжения и тому подобное).
К недостаткам этой системы можно отнести необходимость постоянного контроля рабочих режимов твердотопливного котла, а также потребность в его периодической чистке. Кроме того, при использовании этого приема отопления гаража не допускается хранить в помещении какие-либо взрывоопасные смеси или вещества.
Элементы индивидуального отопления
К основным элементам автономной системы обогрева относятся:
- Тепловой генератор – котел на газовом, твердом или жидком топливе, преобразователи солнечной тепловой энергии. К последним можно отнести солнечные коллекторы, гелиосистемы. Кроме того, в качестве теплогенератора выступают и преобразователи электроэнергии территории (тепловое насосное оборудование) и т. д.
- Трубы – один из основных элементов системы отопления. Обеспечивают транспортировку тепла во все комнаты отапливаемого помещения. Для установки автономного отопления можно использовать металлические, полипропиленовые трубы, трубы из металлопластика, меди и из сшитого полиэтилена.
- Приборы отопления – в эту категорию входят различные обогревательные устройства (батареи) и специализированное конверторное оборудование.
- Пол с подогревом (электрический, водяной).

Что лучше: жидкотопливный или твердотопливный котел для гаража?
Каждый котел отопления имеет свои плюсы и минусы:
- Жидкотопливный котел. Он хорош тем, что устанавливается на постоянный автоматический подогрев теплоносителя. Периодически в резервуар доливаете мазут или отработку, а автоматика и форсунки делают свое дело. В случае с гаражом этот котел — выгодное решение, так как требуется поддержание минимальной температуры, а значит и расход топлива будет не столь уж и велик;
- Котел для твердого топлива. Буллерьян или обычный котел здесь не подойдут, так как они требуют присутствия истопника. К счастью, есть выход: можно приобрести или сделать своими руками пиролизный котел или пеллетный котел. И тот, и другой в состоянии обеспечить необходимую периодичность отопления гаража. Но внимания им придется уделять чуть больше, чем жидкотопливному котлу.
Преимущества отопления
Владелец отапливаемого гаража получает массу преимуществ:
- Автомобиль, находящийся в теплом помещении, меньше подвержен коррозии.
- Запуск двигателя не затрудняется, поскольку масло не становится более густым. Также не снижается эластичность сальников, пыльников и прочих каучуковых и резиновых деталей, что позволяет продлить их срок службы.
- Не замерзают дверные замки, а прогрев двигателя проходит в комфортных условиях.
- Ремонтировать авто более комфортно в теплом помещении, чем в ледяном.
- Кроме вышеперечисленного, в теплом гараже можно хранить урожай, не боясь его порчи и просто приятно проводить время.





































